نقشه پاور کامپیوتر و ولتاژ آن
در این مقاله می خواهیم در مورد نقشه پاور کامپیوتر و ولتاژ آن با شما صحبت کنیم، در ابتدا برایتان نحوه نوسان گیری،کابل های مختلف پاور کامپیوتر را شرح می دهیم و سپس به سراغ نقشه پاور کامپیوتر و ولتاژ آن می رویم.
انوع منابع تغذیه
منبع تغذیه یا پاور کامپیوتر دستگاهی است که انرژی الکتریکی را برای یک یا چند بار مصرفی (کامپیوتر) تامین می کند. به طور خلاصه می توان گفت منبع تغذیه، دستگاهی است که انرژی الکتریکی را از یک منبع (برقی، خورشیدی، بادی و…) می گیرد و آن را با فرکانس و ولتاژ و جریان مناسبی برای بار مصرفی تامین می کند.

انوع منابع تغذیه
یک منبع تنظیم شده (رگولاتور) می تواند جریان و ولتاژ خروجی تقریبا ثابتی به مصرف کننده می دهد.
راهنمای خرید پاور
خرید یک پاور کامپیوتر با کیفیت بالا و قدرت کافی، عملکرد و قابلیت اطمینان دستگاه شما را افزایش می دهد و استفاده از یک منبع تغذیه بی کیفیت می تواند منجر به هنگ کردن و ریست های تصادفی سیستم شود.
همیشه پاور کامپیوتر را از یک سازنده معتبر خریداری کنید و قبل از خرید آن را بررسی کنید
هنگام خرید پاور کامپیوتر، پاورهای بزرگ تر و سنگین تر نسبت به مدل های سبک وزن ترجیح داده می شوند.

منبع تغذیه با کیفیت بالاتر تقریبا همیشه از خازن های بزرگتر و بهتر، چوک ها و سایر اجزای داخلی استفاده می کند و هم چنین برای گرمازدایی بهتر، از هیترهای بزرگتر استفاده می کنند، که این امر موجب وزن بیشتر پاور می شود.
همچنین استفاده از فن های خنک کننده بزرگتردر پاور، که عموما هوای بیشتری را با سر و صدای کمتری ایجاد می کنند، دلیل دیگر این امر است .
تست ولتاژ ها
تست ولتاژ ها معمولا برای راحت تر شدن توسط دستگاهی به عنوان POWER TESTER انجام می شود.
این دستگاه به شما کمک می کند تا بتوانید تشخیص درستی از نوسان پاورتان داشته باشید.

این دستگاه توسط نمایشگری که در اختیار شما قرار داده است ولتاژ های مختلف را شناسایی می کند.
مثلا اگر این پاوری که به دستگاه متصل است نوسان داشته باشد، هر کدام از ولتاژ ها که نوسان داشته باشند به صورت چشمک زن نمایش داده می شوند.
در مقاله تست پاور بطور کامل برایتان نحوه تست کردن پاور به روش های مختلف را توضیع داده ایم.
کابل های پاور

20+4 پین اتصال به مادربرد
کابل اصلی 4+20 پین پاور های ATX منبع اصلی برای اتصال به مادربرد می باشد، این کابل اصلی وظیفه انتقال ولتاژ استاندارد را دارد.
این اتصال دهنده 4+20 پین بزرگ است، که معمولا در نزدیکی لبه مادربرد قرار می گیرد.
در بعضی پاور ها با کیفیت پایین تر شاهد کابل 20 پین نیز هستیم و همچنین بعضی پاور ها دارای کابل 24 پین پیوسته هستند.
کابل های پاور 4+20 بر روی هر دو مدل مادربرد سوار می شوند زیرا 4 پین اضافه آن را می توان به باقی پین ها چسباند و همچنین می توان از بقیه پین ها جدا کرد!
کانکتور Serial ATA یا SATA
دستگاه هایی که پورت ساتا دارند، دارای کانکتور برق متفاوتی می باشند!
کانکتور برق هارد دارای ساتا دارای 15 پین است که در واقع در 5 رشته سیم خلاصه می شود.
در اين مدل از کانکتورهای برق، از سه خروجي اصلي پاور يعنی خروجیهای 3.3 ولت، 5 ولت و 12 ولت با رنگهای زرد، قرمز و نارنجی استفاده شده است.
از این کانکتو برای هارد های SATA و همچنین برای DVD_R های جدید مورد استفاده قرار می گیرد.


کانکتور IDE
4 پین Molex کابل اتصال دهنده برق محیطی
منبع تغذیه 4 پین Molex امروزه یکی از اتصال دهنده قدرت استاندارد در رایانه ها است. این اتصال قدرت اتصال استاندارد برای همه درایوهای مبتنی بر PATA است.
همچنین این کانکتور اغلب برای تجهیزاتی مانند: فن، هارد دیسک و درایو نوری مورد استفاده قرار می گیرد.
معمولا کانکتور Molex دربرخی پاور های ارزان قیمت ضعیف است و پایه های کانکتور دچار مشکل می شوند.
کانکتور 4+4 پین
این کانکتور پاور نیز به دو صورت دیده می شود. حالت اول به صورت یک کانکتور یکپارچه 8 پین و در حالت دوم به صورت دوتا کانکتور 4 پین. بعضی از مادربورد ها تنها از 4 پین آن تغذیه می کنند.
سیستم هایی که از 8 پورت به هم چسبیده آن استفاده می کنند، اکثرا مادربورد های سرور هستند.

جدول پینتو برای کانکتور 4 پین
به جدول زیر توجه کنید:
| Pin | Name | Color | Description |
| 1 | +12VDC | Yellow | +12 VDC |
| 2 | COM | Black | Ground |
| 3 | COM | Black | Ground |
| 4 | +5VDC | Red | +5 VDC |

اتصال دهنده فلاپی دیسک 4 پین
کابل 4 پین فلاپی درایو استانداردی برای فلاپی دیسک است.
حتی در جدید ترین منبع تغذیه ها وجود دارند در صورتی که دیسک های فلاپی در حال منسوخ شدن هستند. اما هنوز این کابل ها در منابع تغذیه وجو دارند!
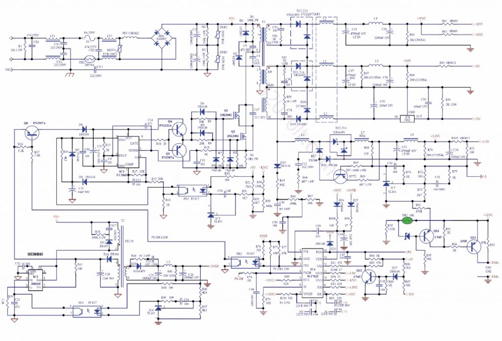
نقشه پاور کامپیوتر و ولتاژ آن
ولتاژ های پاور
منبع تغذیه کامپیوتر جریان متناوب را تغییر می دهد، جریان متناوب را از یک سوکت دی الکتریک برق متناوب می کند. برای جریان مستقیم کم ولتاژ برای کار پردازنده و دستگاه های جانبی چند ولتاژ جریان مستقیم مورد نیاز است.
کامپیوتر ها برای تغذیه عناصر داخلی خود، از ولتاژ های مختلفی استفاده می کنند، ولتاژ پایه همان طوری که از نامش پیداست در طی 20 سالی که از تاریخ کامپیوتر می گذرد تغییر نکرده و ثابت مانده است!
نمایش نقشه پاور کامپیوتر و ولتاژ آن
اتصال برق AT (در مادربردهای قدیمی تر، AT)

ولتاژ مثبت غالب انرژی تامین شده توسط یک منبع تغذیه می باشد اما این نکته را درنظر داشته باشید که مقداری از آن نیز منفی می باشد.
اتصال برق برای ATX

مفهوم ولتاژ منفی این می باشد که ولتاژ بجای این که از سمت سیگنال به سمت زمین اندازه گیری شود، از زمین به سمت سیگنال اندازه گیری می شود. درست مانند این که یک باتری را به صورت معکوس به کار بیاندازیم.

جریان تولید شده در هر سطحی از ولتاژ مهم می باشد زیرا بر روی منبع تغذیه شما جهت تولید انرژی کافی برای سیستم شما تاثیر می گذارد.
به نقشه هایی که در این قسمت در اختیارتان قرار می دهیم دقت کنید!







